Generator funkcyjny to specjalistyczne urządzenie elektroniczne, które tworzy sygnały elektryczne o różnych kształtach i częstotliwościach. Jest podstawowym narzędziem w laboratoriach elektronicznych. Służy głównie do testowania i diagnozowania układów. Najważniejszym elementem generatora jest oscylator. Współpracuje on często z generatorem kwarcowym dla lepszej stabilizacji.
Urządzenie potrafi wytwarzać różne rodzaje przebiegów: sinusoidalne, prostokątne, piłokształtne i trójkątne. Znajduje to praktyczne zastosowanie przy testowaniu wzmacniaczy czy analizie filtrów. W nowoczesnej elektronice występują dwa główne typy: generatory arbitralne i cyfrowe.
Najważniejsze informacje:- Generuje kontrolowane sygnały elektryczne o określonych parametrach
- Umożliwia testowanie i diagnostykę układów elektronicznych
- Wytwarza cztery podstawowe typy przebiegów
- Bazuje na technologii oscylatora i generatora kwarcowego
- Występuje w wersji arbitralnej (dowolne kształty) i cyfrowej (precyzyjna kontrola)
- Stanowi niezbędne wyposażenie laboratoriów elektronicznych
- Służy do badania charakterystyk układów elektronicznych
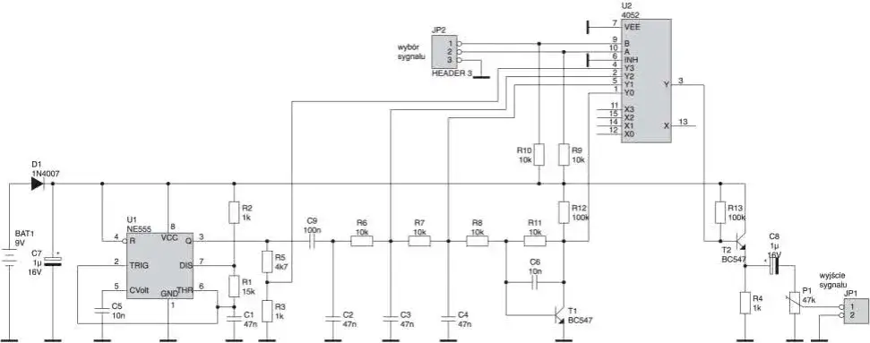
Zasada działania generatora funkcyjnego
Generator funkcji przekształca energię elektryczną w sygnały o różnych kształtach. Wykorzystuje do tego oscylator jako główny element aktywny. Sygnał wyjściowy powstaje poprzez ciągłe ładowanie i rozładowywanie kondensatora.
Generator przebiegów bazuje na wzmacniaczach operacyjnych. Te elementy pozwalają na precyzyjne kształtowanie sygnału wyjściowego. Współpracują z układami sprzężenia zwrotnego, które stabilizują parametry generowanego przebiegu.
Częstotliwość sygnału wyjściowego zależy od wartości elementów RC. Generator funkcyjny może pracować w szerokim zakresie częstotliwości. Dzięki układom regulacji można precyzyjnie dostosować amplitudę sygnału.
Z czego składa się generator funkcji?
Generator funkcji schemat zawiera kilka kluczowych bloków funkcjonalnych. Każdy z nich pełni określoną rolę w procesie generacji sygnału.
- Oscylator RC - generuje podstawowy przebieg
- Wzmacniacz operacyjny - kształtuje sygnał wyjściowy
- Układ formowania - przekształca sygnał w żądany kształt
- Komparator - kontroluje poziomy napięć
- Stabilizator napięcia - zapewnia stałe napięcie zasilania
- Potencjometry - regulują częstotliwość i amplitudę
- Przełączniki zakresów - wybierają przedział częstotliwości
- Układ wyjściowy - dopasowuje impedancję
Elementy łączą się ze sobą według ściśle określonej topologii. Sygnał przepływa kolejno przez bloki funkcjonalne, gdzie jest kształtowany i modyfikowany.
Kluczowe znaczenie mają połączenia sprzężenia zwrotnego. Zapewniają one stabilną pracę generatora w całym zakresie częstotliwości.
Szczegółowy schemat budowy generatora
Generator funkcji budowa opiera się na kilku współpracujących sekcjach. Generator sygnałów układ rozpoczyna się od części oscylatorowej. Następnie sygnał trafia do układów kształtujących.
Sekcja oscylatora generuje podstawowy przebieg trójkątny. Wykorzystuje do tego układ RC oraz wzmacniacz operacyjny pracujący jako komparator. Elementy te współpracują w pętli sprzężenia zwrotnego.
Układ formowania przekształca sygnał trójkątny w inne przebiegi. Zawiera komparatory do generowania przebiegu prostokątnego. Wykorzystuje także układy nieliniowe do tworzenia sinusoidy.
Parametry techniczne elementów
| Element | Wartość | Tolerancja |
| Rezystory wejściowe | 10kΩ | ±1% |
| Kondensatory czasowe | 100nF | ±5% |
| Napięcie zasilania | ±12V | ±0.5V |
Dobór elementów ma kluczowe znaczenie dla stabilności pracy. Szczególną uwagę należy zwrócić na tolerancję rezystorów w układzie oscylatora.
Kondensatory powinny mieć niski współczynnik temperaturowy. Zapewni to stabilną częstotliwość w różnych warunkach pracy.
Jak zbudować generator funkcji?
Montaż generatora funkcyjnego rozpoczynamy od zasilacza. Należy sprawdzić poprawność napięć wyjściowych. Stabilizatory wymagają odpowiednich radiatorów.
Kolejnym etapem jest budowa sekcji oscylatora. Precyzyjne dopasowanie elementów RC jest kluczowe. Układ należy uruchomić i sprawdzić podstawowy przebieg.
Na końcu montujemy układy kształtujące sygnał. Wymagają one dokładnego zestrojenia. Potencjometry regulacyjne muszą pracować płynnie w całym zakresie.
- Sprawdzenie napięć zasilających
- Uruchomienie oscylatora
- Kalibracja układów formowania
- Test przebiegów wyjściowych
- Regulacja amplitudy i częstotliwości
- Końcowa kontrola parametrów
Testy należy przeprowadzać systematycznie po każdym etapie. Ułatwia to lokalizację ewentualnych błędów.
Końcowe pomiary powinny obejmować wszystkie rodzaje przebiegów. Sprawdzamy stabilność częstotliwości i zniekształcenia.
Regulacja parametrów wyjściowych
Precyzyjną regulację generatora funkcji wykonujemy wieloobrotowymi potencjometrami. Częstotliwość podstawową ustawiamy przez dobór elementów RC w oscylatorze. Amplitudę sygnału regulujemy w końcowym stopniu wzmacniacza.
Kształt przebiegu zależy od nastaw komparatorów. Dokładność sinusoidy wymaga precyzyjnego dostrojenia układu nieliniowego. Przebieg prostokątny uzyskujemy przez odpowiednie ustawienie progów komparatora.
Zmiana wartości rezystorów wpływa na częstotliwość generowanego sygnału. Modyfikacja pojemności kondensatorów pozwala na rozszerzenie zakresu pracy układu.Możliwe modyfikacje podstawowego układu
Generator funkcji schemat można rozbudować o dodatkowe funkcje. Popularne modyfikacje obejmują dodanie modulacji częstotliwości i amplitudy. Można też zaimplementować cyfrową syntezę sygnałów.
Warto rozważyć dodanie wyświetlacza częstotliwości. Precyzyjny pomiar częstotliwości ułatwia pracę z generatorem. Możliwe jest też dodanie interfejsu cyfrowego do sterowania parametrami.| Modyfikacja | Zalety | Złożoność | Koszt |
| Modulacja FM | Większa funkcjonalność | Średnia | Niski |
| Wyświetlacz LCD | Lepsza kontrola | Niska | Średni |
| Sterowanie cyfrowe | Precyzyjna regulacja | Wysoka | Wysoki |
| Pamięć przebiegów | Większa elastyczność | Wysoka | Wysoki |
Każda modyfikacja powinna być dobrze przemyślana. Należy uwzględnić wpływ zmian na stabilność pracy generatora.
Rozwiązywanie typowych problemów
Niestabilność częstotliwości często wynika z wahań temperatury. Należy sprawdzić układ stabilizacji napięcia zasilającego.
Zniekształcenia sinusoidy mogą być spowodowane nieodpowiednim dostrojeniem. Konieczna jest regulacja układu kształtowania.
Problem z przebiegiem prostokątnym zwykle wiąże się z komparatorem. Należy sprawdzić poziomy napięć odniesienia.
Uszkodzenia najczęściej dotyczą elementów aktywnych. Wymiana wzmacniaczy operacyjnych zwykle rozwiązuje problem.
W przypadku braku sygnału wyjściowego sprawdzamy zasilanie. Następnie weryfikujemy działanie poszczególnych stopni układu.
Co warto wiedzieć o budowie i działaniu generatora funkcji?
Generator funkcji to precyzyjne urządzenie elektroniczne, którego konstrukcja opiera się na współpracy kilku kluczowych sekcji. Sercem układu jest oscylator, który współpracuje z układami formującymi i wzmacniaczem końcowym. Prawidłowe połączenie tych elementów zapewnia generowanie stabilnych przebiegów o różnych kształtach.
Najważniejszym aspektem budowy jest precyzyjny dobór elementów i staranne wykonanie połączeń. Szczególną uwagę należy zwrócić na stabilizację napięcia zasilania oraz układ sprzężenia zwrotnego. Regularne testy i kalibracja pozwalają utrzymać optymalne parametry pracy urządzenia.
Możliwości generatora funkcyjnego można rozszerzyć poprzez dodatkowe modyfikacje, takie jak wyświetlacz częstotliwości czy sterowanie cyfrowe. Jednak każda zmiana wymaga przemyślanego podejścia i uwzględnienia jej wpływu na stabilność pracy całego układu. W przypadku problemów, systematyczna diagnostyka pozwala szybko zlokalizować i usunąć usterkę.




