kmki.pl
tag-img

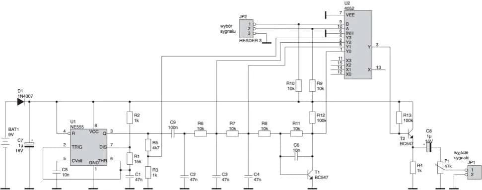
Tag generator funkcji budowa

1 / 1