Rysunek elektryczny to graficzne przedstawienie układu elektrycznego, które pomaga zrozumieć połączenia między elementami i przepływ prądu w systemie. Schematy elektryczne używają standardowych symboli graficznych do reprezentacji różnych komponentów. Linie ciągłe oznaczają przewody zasilające, a przerywane - przewody ochronne. Węzły wskazują miejsca połączeń. Przewody mają oznaczenia literowe: L (fazowy), N (neutralny), PE (ochronny). Kolory kabli też mają znaczenie: zielono-żółty to uziemienie, niebieski - neutralny, a czarny lub brązowy - fazowy.
Najważniejsze informacje:- Schematy elektryczne używają standardowych symboli dla ułatwienia interpretacji
- Linie ciągłe i przerywane reprezentują różne typy przewodów
- Oznaczenia literowe i kolory kabli mają określone znaczenia
- Umiejętność czytania schematów wymaga znajomości symboli i praktyki
- Zrozumienie funkcji poszczególnych elementów jest kluczowe dla analizy układów
Podstawowe elementy schematu elektrycznego
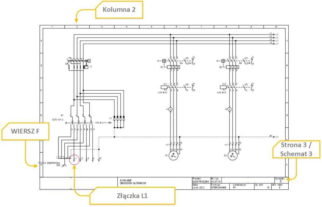
Rysunek elektryczny, znany również jako schemat instalacji elektrycznej, to graficzne przedstawienie układu elektrycznego. Pozwala on zrozumieć połączenia między komponentami i przepływ prądu w systemie.
Linie przewodów na schemacie reprezentują rzeczywiste połączenia elektryczne. Ciągłe linie oznaczają przewody zasilające, a przerywane - ochronne. Węzły, przedstawiane jako kropki lub kółka, wskazują miejsca połączeń między przewodami.
- Źródła zasilania (np. baterie, generatory)
- Odbiorniki (np. silniki, żarówki)
- Elementy sterujące (np. przełączniki, przekaźniki)
- Zabezpieczenia (np. bezpieczniki, wyłączniki nadprądowe)
- Urządzenia pomiarowe (np. amperomierze, woltomierze)
Oznaczenia literowe przewodów
Oznaczenia na schemacie elektrycznym są kluczowe dla zrozumienia funkcji poszczególnych przewodów. L oznacza przewód fazowy, N - neutralny, a PE - ochronny. Te oznaczenia pomagają elektrykom w prawidłowym podłączaniu urządzeń i zapewnieniu bezpieczeństwa instalacji.
| Oznaczenie | Opis |
| L | Przewód fazowy |
| N | Przewód neutralny |
| PE | Przewód ochronny |
Czytaj więcej: Najlepsze kursy machine learning w Polsce: Porównanie ofert
Kolorystyka kabli w instalacjach elektrycznych
Kolory kabli w instalacjach elektrycznych mają standardowe znaczenie, co ułatwia identyfikację przewodów. Stosowanie odpowiedniej kolorystyki jest kluczowe dla bezpieczeństwa i prawidłowego funkcjonowania instalacji.
Zielono-żółty to zawsze przewód ochronny (PE). Niebieski oznacza przewód neutralny (N). Brązowy, czarny lub szary to kolory przewodów fazowych (L).Najważniejsze symbole elektryczne
Symbole elektryczne to graficzne reprezentacje elementów na schemacie.
| Symbol | Znaczenie |
| ⚡ | Źródło zasilania |
| ⏚ | Uziemienie |
| ◯ | Żarówka |
| ⚙️ | Silnik |
| ⎓ | Dioda |
| ⏻ | Przełącznik |
Jak interpretować symbole na schemacie?
Przy interpretacji rysunku elektrycznego, kluczowe jest zrozumienie kontekstu. Zwróć uwagę na połączenia między symbolami. Sprawdź oznaczenia wartości, jeśli są podane. Porównaj symbole z legendą, jeśli jest dostępna.
Krok po kroku: Jak czytać schemat elektryczny?
- Zidentyfikuj główne elementy schematu. Znajdź źródła zasilania i odbiorniki.
- Prześledź przepływ prądu. Zacznij od źródła i podążaj liniami do odbiorników.
- Zwróć uwagę na elementy sterujące. Zauważ, jak wpływają na przepływ prądu.
- Sprawdź zabezpieczenia. Upewnij się, że są odpowiednio umiejscowione.
- Analizuj oznaczenia i wartości. Zwróć uwagę na napięcia, prądy i rezystancje.
Typowe oznaczenia w rysunkach elektrycznych
Symbole przełączników są kluczowe w rysunku elektrycznym. Przedstawiane są zazwyczaj jako przerwa w linii z małym symbolem ruchu. Oznaczają miejsca, gdzie można kontrolować przepływ prądu.
Oznaczenia bezpieczników to ważny element bezpieczeństwa. Symbolizowane są najczęściej jako prostokąt z linią wewnątrz. Wskazują punkty, gdzie obwód jest chroniony przed przeciążeniem.
Symbole uziemienia są niezbędne dla bezpieczeństwa instalacji. Przedstawiane jako kilka poziomych linii zmniejszających się ku dołowi. Oznaczają połączenie z ziemią, które chroni przed porażeniem.
Przykłady praktycznego zastosowania oznaczeń
W schemacie instalacji domowej, oznaczenia L, N i PE są kluczowe przy podłączaniu gniazdek. L (faza) łączy się z bolcem po prawej stronie, N (neutralny) z lewej, a PE (ochronny) z bolcem u góry. Prawidłowe połączenie zapewnia bezpieczne korzystanie z urządzeń elektrycznych.
Przy analizie schematu rozdzielnicy, symbole bezpieczników są istotne dla zrozumienia zabezpieczeń. Każdy obwód powinien mieć swój bezpiecznik. Pozwala to na izolację problemu w przypadku awarii i ułatwia konserwację poszczególnych części instalacji.
Narzędzia pomocne w interpretacji rysunków elektrycznych
Multimetr to podstawowe narzędzie każdego elektryka. Pozwala na pomiar napięcia, prądu i rezystancji, co jest niezbędne do weryfikacji zgodności rzeczywistej instalacji ze schematem.
Programy CAD do rysowania schematów elektrycznych ułatwiają tworzenie i edycję rysunków. Oferują biblioteki standardowych symboli i automatyczne sprawdzanie poprawności połączeń.
Aplikacje mobilne z bazami symboli elektrycznych są przydatne w terenie. Pozwalają na szybkie sprawdzenie znaczenia nieznanego symbolu bez konieczności noszenia papierowych podręczników.
Znaczenie prawidłowego odczytywania schematów elektrycznych
Umiejętność czytania schematów elektrycznych jest fundamentalna dla bezpiecznej i efektywnej pracy z instalacjami elektrycznymi. Pozwala na szybkie diagnozowanie problemów, planowanie modernizacji i zapewnienie zgodności z normami. Prawidłowa interpretacja schematów jest kluczowa dla uniknięcia potencjalnie niebezpiecznych błędów.
Błędna interpretacja może prowadzić do poważnych awarii. Nieprawidłowe podłączenie urządzeń może skutkować ich uszkodzeniem lub pożarem.
Nieumiejętność odczytania schematu może spowodować opóźnienia w realizacji projektów. Prowadzi to do zwiększenia kosztów i potencjalnych konfliktów z klientami.

Jak doskonalić umiejętność czytania rysunków elektrycznych?
Praktykuj regularnie, analizując różne typy schematów. Uczestniczy w szkoleniach branżowych i warsztatach. Korzystaj z interaktywnych narzędzi online do nauki symboli. Współpracuj z doświadczonymi elektrykami, ucząc się ich technik interpretacji.
Regularna praktyka jest kluczowa dla rozwijania umiejętności. Zacznij od prostych schematów i stopniowo przechodź do bardziej skomplikowanych, analizując je codziennie przez co najmniej 15 minut.
Współpraca z doświadczonymi specjalistami to nieocenione źródło wiedzy. Poproś doświadczonego elektryka o mentoring i regularnie omawiaj z nim różne aspekty interpretacji schematów, korzystając z jego praktycznej wiedzy i doświadczenia.
Klucz do efektywnej pracy z instalacjami elektrycznymi
Umiejętność czytania i interpretacji rysunków elektrycznych to fundament bezpiecznej i skutecznej pracy z systemami elektrycznymi. Od zrozumienia podstawowych symboli elektrycznych po analizę złożonych schematów, każdy aspekt tej umiejętności ma kluczowe znaczenie dla profesjonalistów w branży.
Pamiętaj, że interpretacja rysunku elektrycznego to proces, który wymaga praktyki i ciągłego doskonalenia. Regularne ćwiczenia, korzystanie z odpowiednich narzędzi i współpraca z doświadczonymi specjalistami pomogą Ci rozwinąć tę cenną umiejętność. Prawidłowe czytanie schematów elektrycznych nie tylko usprawni Twoją pracę, ale także przyczyni się do zwiększenia bezpieczeństwa instalacji.
Pamiętaj, że każdy symbol, oznaczenie czy kolor na schemacie instalacji elektrycznej niesie ze sobą istotną informację. Twoja zdolność do szybkiego i dokładnego odczytywania tych informacji może mieć kluczowe znaczenie w sytuacjach awaryjnych lub podczas planowania nowych projektów. Inwestuj w swoją wiedzę i umiejętności - to inwestycja, która zawsze się opłaca w dynamicznym świecie elektrotechniki.




